The inlet section can be configured for either a fixed displacement pump or load-sense variable displacement pump. When simultaneous machine functions are actuated, the pre-compensators will automatically adjust to the highest load pressure via a shuttle arrangement, making the system circuit independent of variations in loads and pump pressures.
EDG-D-P
4/3 and 4/2 Proportional directional valve elements with LS
Truck mounted applications
Forestry machinery
Forklifts and Telehandler
Municipal vehicles
Cranes
Construction machines
Aerial working platforms
Heavy duty vehicles
Agricultural machines
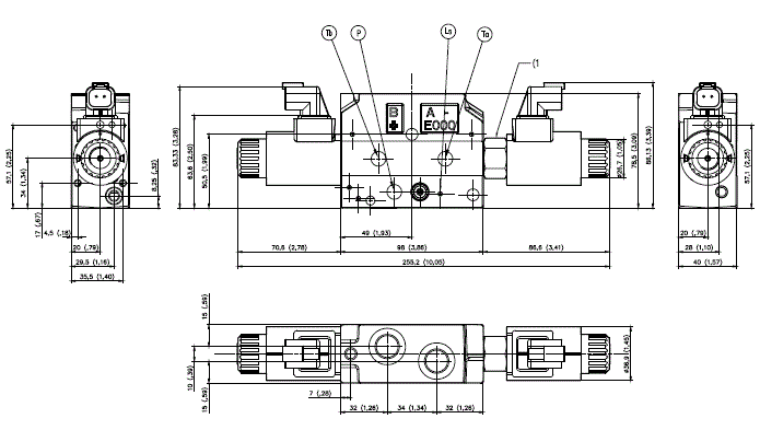
Size 6
Series 1
Maximum operating pressure:
350 bar (5000 psi) on pump side
350 bar (5000 psi) on consumer side
Maximum flow at 6 bar (87 psi) 40 l/min (10.6 gpm)
Ports connections G 3/8 - G 1/2 - SAE6 - SAE8
NEW spool position sensor available for this valve. See RE18300-30
- Pole tube and coil (emproved corrosion resistance duration up to 500h)
- Label
- Flange with drain line for VMGLS and combination for EDG Electrohydraulic actuation
- Lever Manual override option
- Body valve zinc plating treatment for higher corrosion resistence protection up to 500h
Table 1
1111 - 2222 - 3333 - 4444 - 6666 - 9999
Table 2
X = Standard spool flow rate configuration
◊ = Special spool flow rate configuration, contact factory
● = Not available
Table 3 Full relief valve configuration setting
Note: For pressure higher than 290 bar (4206 psi), contact factory.
Table 4 LS relief valve configuration setting
General hydraulic layout
07 - Spool Variants
14 - Secondary valve types
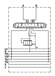
The EDG direct acting proportional solenoid sectional valves with pressure compensation control the oil flow to actuators. These elements consist of a stackable housing (1) with a control spool (2), two solenoids (4), two return springs (3). Each solenoid (4), energized by PWM regulator, displaces the control spool from its neutral-central position “0” proportionally to the current received. When the spool is shifted and the metering notch is open, flow delivery starts and is controlled by a 2 way pressure compensator(7) (P > A; P > B).
When the solenoid is de-energized, the return spring pushes the spool back in its neutral-central position. Each coil (4) is fastened to the solenoid tube by the ring nut (5). A push-pin manual override is included to actuate the valve without electrical power as needed.
Load pressure compensation
The pressure compensator (7) keeps the pressure differential on the main spool (2). The flow to the consumers remains constant, despite varying loads.
The highest load pressure on the pump is signaled via the LS line and the integrated shuttle valve (6).
Port relief valves with anti-cavitation function on A and B (9) protect the system against pressure peaks and cavitation. LS relief valves (8), for each consumer port, can be adjusted according to specific application requirements
General
- 2.2 kg (4.85 lbs)
- 1.7 kg (3.75 lbs)
- -30....+90 (-22....+194)
Hydraulic
- 350 bar (5000 psi)
- 210 bar (3050 psi) [in case of Emergency Lever option, max. pressure is limited up to 30 bar at T]
- 40 l/min (10.6 gpm)
- Approx. 2% of the nominal cross-section
- Mineral oil based hydraulic fluids HL (DIN 51524 part 1). For use of environmentally acceptable fluids (vegetable or polyglycol base) please consult us.
- -30....+100°C (-22....+212°F) (NBR seals)
- ISO 4572: βₓ≥75 X=12...15 NAS 1638: class 9
- 20....380 (optimal 30....46) mm²/s
Electrical
- 120 Hz PWM
- -10 .... +10%
- Continuous, with ambient temperature ≤ 50°C (122°F)
- 180 °C (356 °F)
- H
- Low Voltage Directive LVD 73/23/EC (2006/95/EC), 2004/108/EC
- 0.228 kg (0.503 lbs)
- 12 V
- 24 V
- 1.76 A
- 0.94 A
For applications with different specifications consult us. * In addition to relief valve pressure setting value.
- 4.05 Ω
- 13.6 Ω
Characteristic curves Q=Q (I) at 4 bar
Characteristic curves Q=Q (I) at 6 bar
2-way inflow controller
Measured with hydraulic fluid ISO-VG32 at 45° ±5 °C (113° ±9 °F); ambient temperature 20 °C (68 °F).
Not possible to switch from HA or VA to H1 or V1 and viceversa.


