ME-MR
Compact power modules ME – MR Series
Example of Ordering Details for Compact Power Modules ME with A.C. Motor
Ordering Details for Compact Power Modules with AC Motor
Example of Ordering Details for Compact Power Modules ME with D.C. Motor
Ordering Details for Compact Power Modules with AC Motor
Ordering Details for Compact Power Modules MR
Through the years DCOC has developed a highly evolved modular system resulting in powerful, flexible and cost effective power pack range, identified as “compact power modules”. In its easier configuration, a “compact power module” is an assembly of electric motor, central manifold with valves, pump, oil tank and a few connection elements. The central manifold, with its built-in valves, allows to achieve a large variety of hydraulic control circuits. If more complex circuits are needed, modular integrated blocks can be added by flange mounting, or interfacing, to the central manifold to extend its capabilities.
Typical applications
Passenger lift
Fork lift
Car and motorcycle lift
Lift table
Dumper
Tail gate
Scissor lift
Gangway and davits for boats
Material handling
Foods machinery
Power module selection
Choose the circuit which meets your application requirements.
Take note of all dimensions resulting from the basic components chosen for your application.
NOTE: Dimensions may vary slightly and should be confirmed by DCOC, if the assembly is to be installed in a space with narrow clearance.
The tank capacity and the tank dimensions need to be large enough to assure proper pump suction: there must always be a reserve of oil in the tank when all cylinders are fully extended and avoid overflow when cylinders are fully retracted.
The tank must be evaluated also for best separation of air from oil, and for settling down oil contamination. It should be placed in a space with, at least, natural ventilation and it should permit enough heat dissipation to prevent high fluid temperature.
Select the electric motor by evaluating the power needed and the motor compliance with the heat developed during the expected run time (or “duty cycle”).
Hydraulic fluid for compact power module
Mineral oil based hydraulic fluids suitable for hydraulic systems can be used; they should have physical lubricating and chemical properties as specified by:
MINERAL OIL BASED HYDRAULIC FLUIDS HL (DIN 51524 part 1)
MINERAL OIL BASED HYDRAULIC FLUIDS HL P (DIN 51524 part 2)
For use of environmentally friendly fluids please consult DCOC.
Fluid viscosity, temperature range of the operating fluid, ambient temperature
The fluid viscosity should remain within the range 10 to 300 cSt (centistokes); recommended 15 to 120 cSt.
Permissive cold start viscosity is maximum 2000 cSt.
The fluid temperature should remain within the range -15°C and 80°C (5°F and 176°F).
Note: For compact power module with plastic tank the fluid temperature should remain within the range -15°C and 70°C (5°F and 158°F). Ambient temperature -15°C +40°C (5°F and 104°F).
Fluid cleanliness requirements and maintenance
We recommend a cleanliness of the operating fluid according to ISO 4406 Class 20/18/15 or cleaner.
All components of the hydraulic circuit , including hoses and actuators, must be flushed and cleaned before assembling, because the compact power module has a suction filter only.
The hydraulic fluid should be replaced after the first 50 hours, and then every 1000 hours, or, at least, once a year.
Power module installation
The mounting position (is basically un-restricted; just avoid installations that could compromise the pump suction, it is recommended to support the power module on vibration dampening blocks when the mounting structure is expected to vibrate.
Wiring and starting-up
The wiring between battery and electric motor should be selected in order to avoid excessive voltage drop (recommended less than 1 V).
It is strictly forbidden to allow the backwards rotation of the pump even at the first starting: to prevent reverse rotation, the wiring polarities must be correctly connected (except for the reversible pumps).
NOTE: when energized, the surface temperature of the electric motor could reach temperature levels of 60-80°C (140-176°F): care should be taken to avoid any accidental contact of people with the motor surface.
A.C. motors
The tolerances on the nominal voltage are:
Single phase motor: 230V +/-5% -
Three phase motor: 230-400V +/-10%.
Protection degree: IP54 (protection against dust and water splash).
Insulation class: F (155°C) (311°F).
All motors are aluminum alloy die cast without painting.
D.C. Motors
DCOC has a wide range of D.C. motors. In the following pages you will find a selection of our standard range.
For further information about our complete range please contact our Sales department.
Some motors Ø80 have reversible rotation (see the table) and are suitable for application in CPM MR series.
All the others motors shown have clockwise rotation suitable for driving our counter clockwise gear pumps.
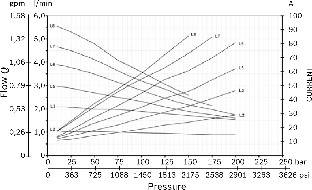
For each motor a diagram is shown that enables the customer to select the right pump displacement needed for the required flow and working pressure.
To be sure of selecting the best electric motor for the application, also the duty cycle has to be verified.
Following are the definitions of the type of duty cycles:
S2 = Short time duty cycle: indicate the number of minutes the motor can operate before reaching the maximum allowable temperature. After this time the motor must cool down until the ambient temperature is reached.
S3 = Intermittent duty cycle: indicate the maximum time percentage (%) based on 10 minute period within the motor can run until reaching the maximum allowable temperature. For example an S3 value of 15% = 1,5 minutes running time every 10 minutes period. For 8,5 minutes the motor is switched-off.
The S2 and S3 values are related to the current draw. On the label of motor are indicated the S2 and S3 values referred to the nominal power of the motor.
To check the S2 or S3 value at different conditions is necessary to find the value of current in the motor-pumps diagram and related it with the represented list.
All the diagrams motor-pumps are obtained at the nominal voltage of 12 or 24 Volt using fluid ISO VG 46 at 20-30°C (68-86°F).
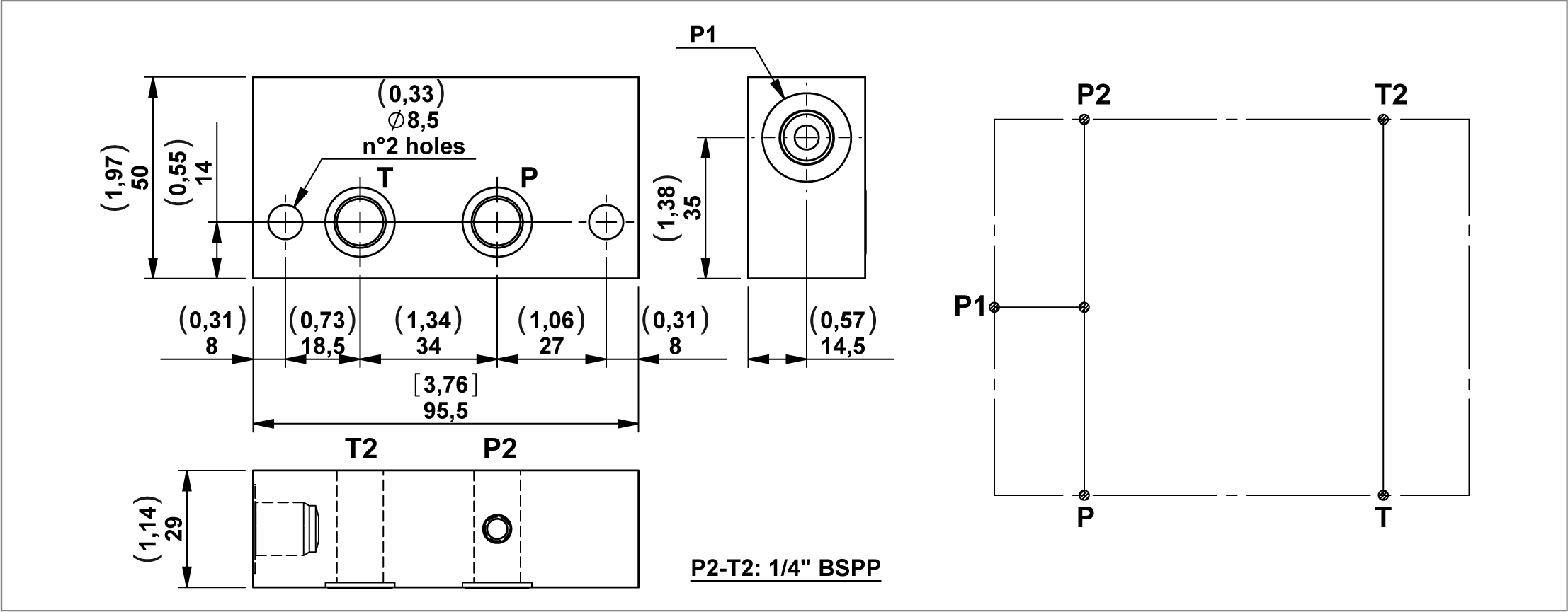
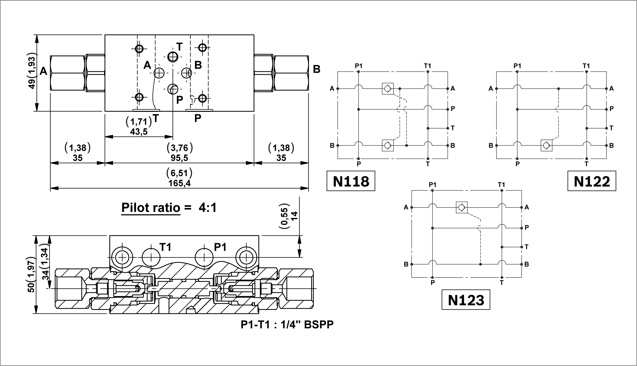
Central manifolds
All the Central Manifolds shown in the catalogue are made in die cast aluminium alloy except the manifold code 10 for CPM MR series that is made by extruded bar. The validation of the Central Manifolds follows a life-test with 250 bar (625 psi) pulsed pressure repeated for 300.000 cycles.
Built-in valves
A wide range of cartridge valves and special plugs is available to be assembled in our Central Manifolds. The cartridge valves shown are designed for use in our Compact Power Module and are manufactured using steel with high mechanical strength. Surface treatments protect the exposed parts to the external environment. Standard seals are NBR (BUNA-N) with backup rings in PTFE. The cartridge valves with “leak proof seat design” have an average leakage of 10-15 drops/minute (< 1 cm3/minute 0.06 in3/min.) at the maximum pressure using fluid ISO VG46 at 40°C (104°F).
The validation of the cartridge valves follows a life-test at pulsed maximum pressure (indicated for each valve) repeated for 500.000 cycles.
All the solenoid cartridge valves are fitted with protective
O-Rings installed between the pole tube and the coil. These O-Rings protect the internal parts from condensation and contaminants, which could cause malfunction.
All the solenoid cartridge valves are designed for operating in D.C..
Power supply in A.C. requires a connector with bridge rectifier included.
External gear pumps
DCOC offers a wide range of External Gear Pumps to cover different kind of applications. The standard version are suitable for the biggest part of applications. All the pumps are pressure compensated to guarantee the best efficiency.
Oil tanks
In this catalogue you will find a wide selection of steel and plastic tanks available as a standard product. If a special tank is required please contact our Sales Department. Steel tanks have Black paint finish and are suitable for operating temperature range -15°C / +80°C (5°F / 176°F). Plastic tanks are obtained in one piece in order to avoid welded parts that are weak points at extreme temperature and vibrations. Plastic tanks are suitable for operating temperature range -15°C / +70°C (5°F / 158°F).
NOTE: even if the plastic tank mounting system is designed to avoid oil leakage the tank must be securely anchored when fitted in mobile equipment and when subject to shocks and heavy vibrations. Please check that the anchorages do not stress or deform the tank.
Modular stackable elements
Our modular system offers a wide range of standardised elements. They are divided in two main series:
Modular Elements “N” series: Modular blocks for different mounting position with mechanical valve or interface for CETOP valves to create parallel or series circuits.
Modular Elements “V” series: Modular blocks that incorporate solenoid operated cartridge valves 2,3,4 way. All the Modular Elements are made in extruded aluminum alloy.
In the catalogue you will find a selection of the main used models.
Note: To reduce the complexity of the system and optimize the available space, special Modular Elements can be designed and manufactured following the customers needs. In this case please contact our Sales Department.
European machine directive 2006/42/CE
According to the Machine Directive2006/42/CE, a complete power module, as described in paragraph 15 and made available to the European market, enters into the definition of “partly completed machinery”.
Instead, the power module sub-assemblies (motor, pump, reservoir, central manifold,...), when not assembled into a complete power pack, are considered “components” which can be employed in a “machinery” or a “partly completed machinery”. In this case, the DCOC components and sub- assemblies must be fitted in compliance with all the relevant technical data sheet applicable to the product, and shall not be operated, adjusted or disassembled before the complete machinery where they are incorporated has been declared to be in compliance with the Machine Directive 2006/42/CE.
NOTE: All the components shown in the catalogue ARE NOT
Technical information
Below you will find the most common equations used in hydraulics:
ME
Smallest overall dimensions.
DC motors up to 2200 W (2,95 hp).
AC motors up to 1100 W (1,48 hp).
Pump displacement up to 1,5 cm3 (0,09 inch3).
Pressure up to 230 bar (3336 psi).
Reversible Type MR series
Smallest overall dimensions.
DC motors up to 800 W (1,1 hp).
AC motors up to 370 W (0,5 hp).
Pump displacement up to 1,5 cm3 (0,09 inch3).
Pressure up to 190 bar (2756 psi).
Standard A.C. Motors in B14 form.
4 Poles Three Phase
Current Motors 230/400V 50Hz 278-/480V 60Hz Form B14 Protection IP54 (1450 rpm at 50Hz)
Standard A.C. Motors in B14 form.
On request motors in B34 form are avaible. In this cases, please put “B34” after the code of the motor when filling in the description. Example “408MB34”.
4 Poles Single Phase
Current Motors 230V 50Hz Form B14 Protection IP54 (1450 rpm at 50Hz)
NOTE: The electric motors with standard flange shown in this pages are delivered by different certified suppliers. This means the indicated dimensions could change a little, depending on which manufacturer will be assembled. On the CPM the choice of the manufacturer is based on our stock availability.
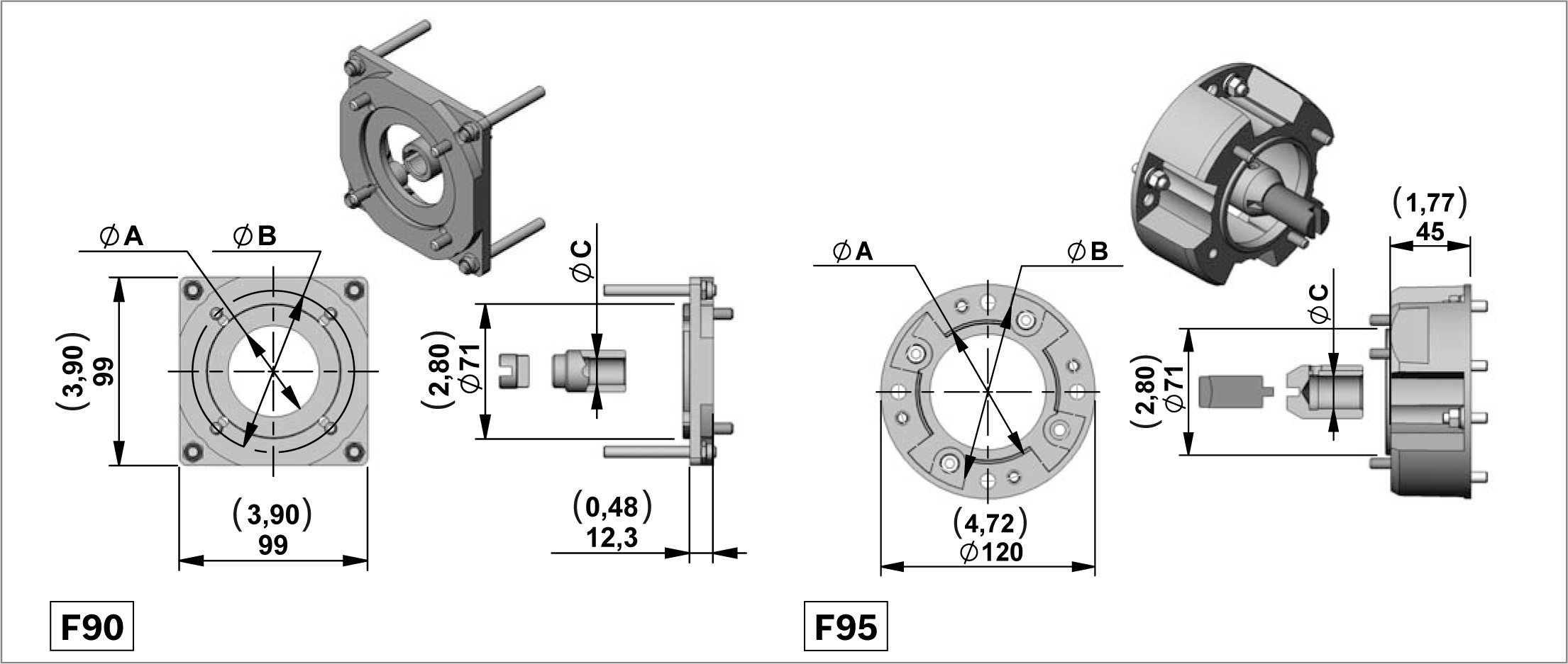
Junction Elements for A.C. Electric Motor Standard Flange
Junction Elements for manifolds ME - MR series (STD COUPLINGS)
NOTE: The junction element F95 is not usable with manifold MR serie.
Electric Motor C177 (12V – 150W) Diagrams
S2 - S3 performance
Electric Motor C178 (24V – 150W) Diagrams
S2 - S3 performance
NOTE: The values of the curves may change slightly depending on the brand / model of pump that is mounted.
Relay
Starting Relay Standard Performance
Kit Motor + Relay
Junction Elements for D.C. Electric Motor
Junction Elements for manifolds ME - MR series
D.C. Electric Motors Standard Performance
Electric Motor C179 (12V – 500W) Diagrams
S2 - S3 performance
Electric Motor C180 (24V – 500W) Diagrams
S2 - S3 performance
NOTE: The values of the curves may change slightly depending on the brand / model of pump that is mounted.
Relay
Starting Relay Standard Performance
Kit Motor + Relay
Junction Elements for D.C. Electric Motor
Junction Elements for manifolds ME - MR series
D.C. Electric Motors Standard Performance
S2 - S3 performance
Electric Motor C181 (12V – 800W) Diagrams
Electric Motor C182 (24V – 800W) Diagrams
S2 - S3 performance
NOTE: The values of the curves may change slightly depending on the brand / model of pump that is mounted.
Relay
Starting Relay Standard Performance
Kit Motor + Relay
Junction Elements for D.C. Electric Motor
Junction Elements for manifolds ME - MR series
D.C. Electric Motors Standard Performance
Electric Motor C123 (12V – 800W) Diagrams
S2 - S3 performance
Electric Motor C122 (24V – 800W) Diagrams
S2 - S3 performance
Relay
Starting Relay Standard Performance
Kit Motor + Relay
Junction Elements for D.C. Electric Motor
Junction Elements for manifolds ME - MR series
D.C. Electric Motors Standard Performance
Electric Motor C200 (24V – 1300W) Diagrams
S2 - S3 performance
NOTE: The values of the curves may change slightly depending on the brand / model of pump that is mounted.
Relay
Starting Relay Standard Performance
Kit Motor + Relay
Junction Elements for D.C. Electric Motor
Junction Elements for manifolds ME
NOTE: Change the standard screws supplied with the motor with the screws of the junction element E71.
D.C. Electric Motors Standard Performance
Electric Motor C190-191 (12V – 1600W) Diagrams
S2 - S3 performance
Electric Motor C192 - C193 (24V – 2200W) Diagrams
S2 - S3 performance
NOTE: The values of the curves may change slightly depending on the brand / model of pump that is mounted.
Relay
Starting Relay Standard Performance (Pict. 1)
Starting Relay High Performance (silver plate contact) (Pict. 2)
Kit Motor + Relay
Plastic Protection
Kit for assembly plastic protection
Junction Elements for D.C. Electric Motor
Junction Elements for manifolds ME series
Electric Motor C91-C102 (12V – 1600W) Diagrams
S2 - S3 performance
Electric Motor C92-C103 (24V – 2200W) Diagrams
S2 - S3 performance
NOTE: The values of the curves may change slightly depending on the brand / model of pump that is mounted.
Relay
Starting Relay Standard Performance (Pict. 1)
Starting Relay High Performance (silver plate contact) (Pict. 2)
Kit Motor + Relay
Plastic Protection
Kit for assembly plastic protection
Junction Elements for D.C. Electric Motor
Junction Elements for manifolds ME series
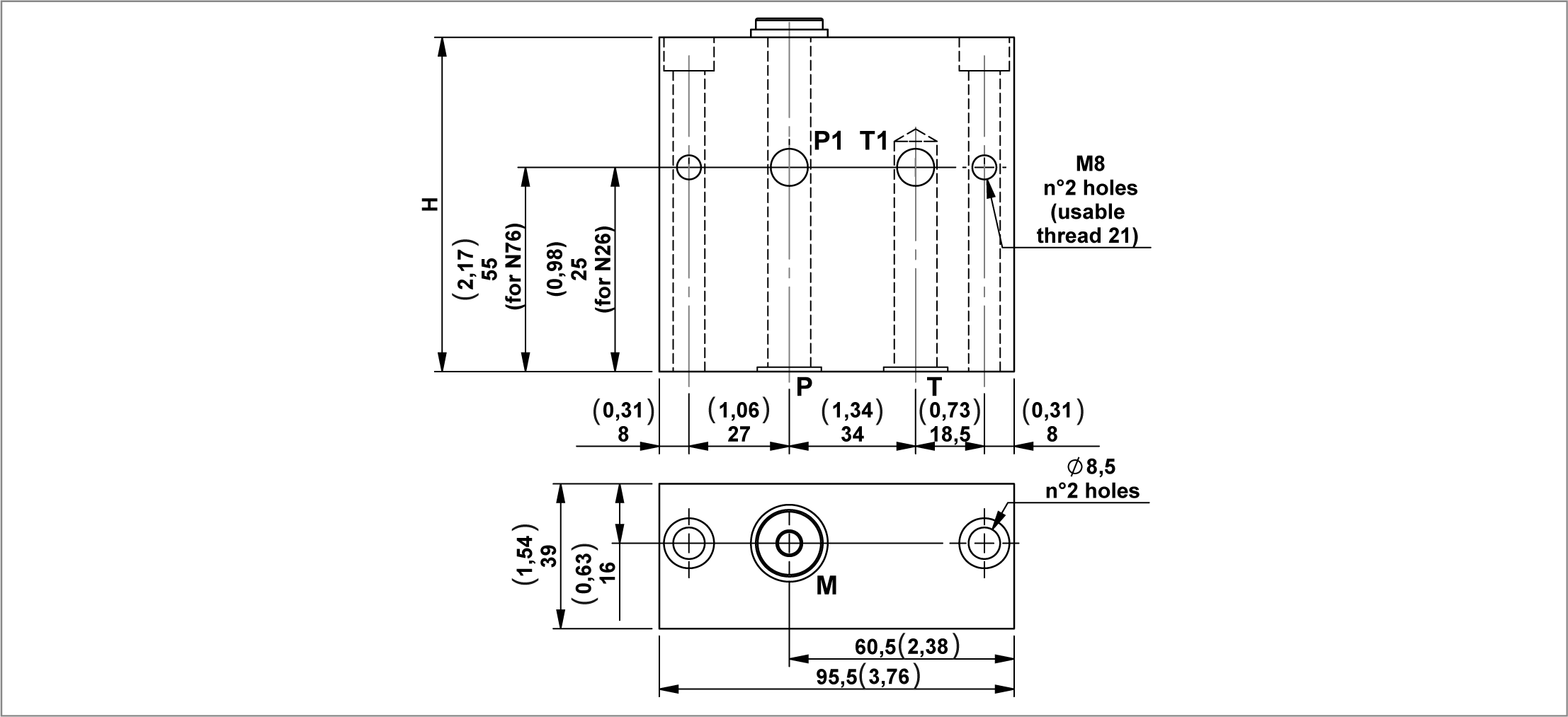
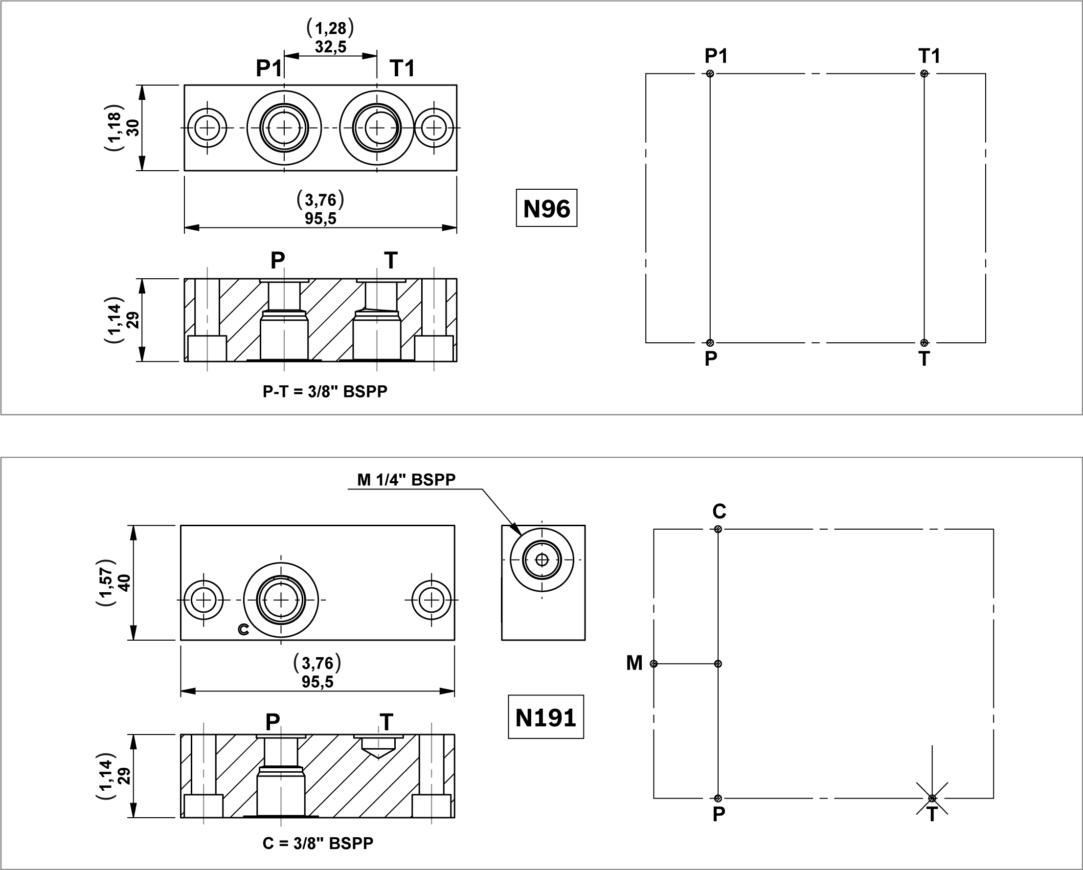
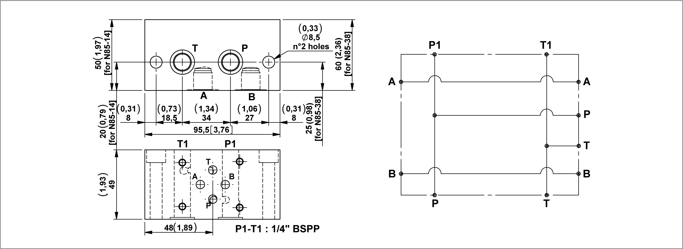
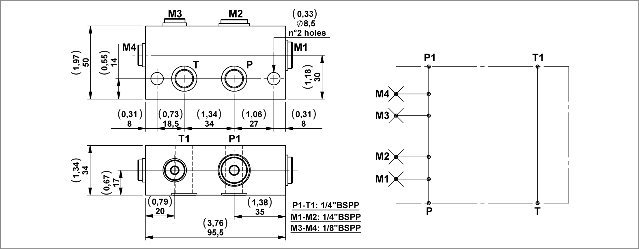
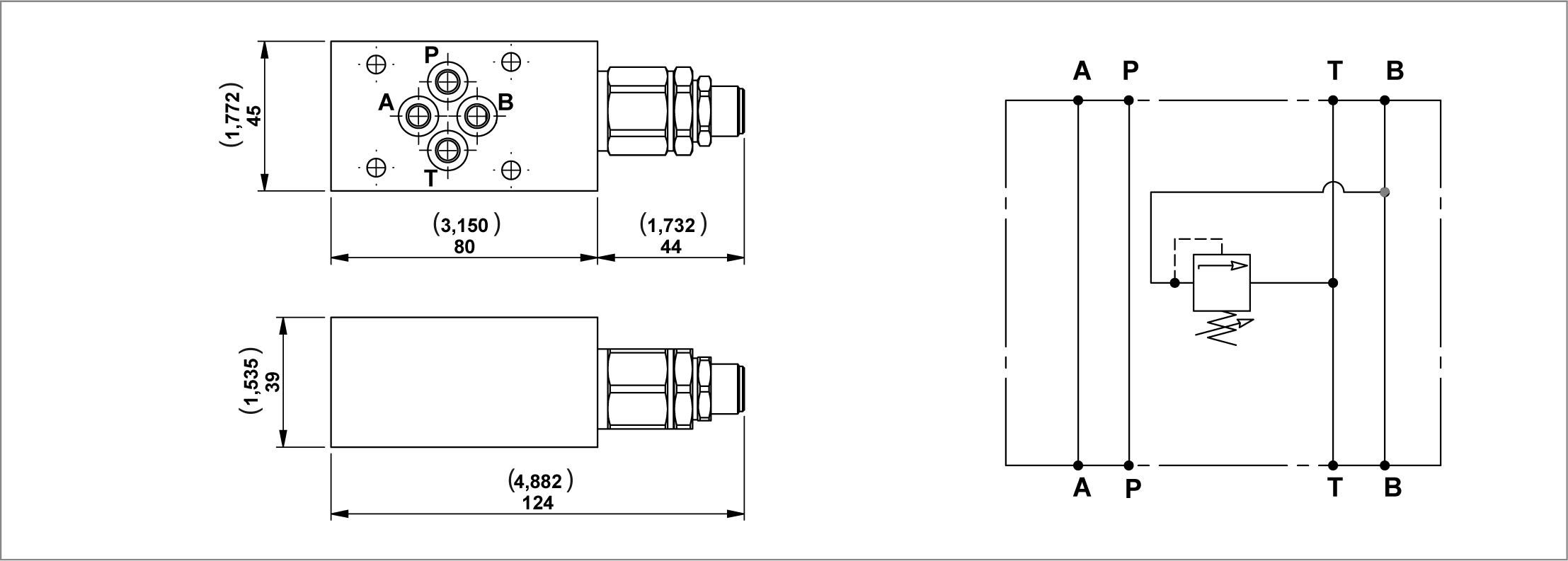
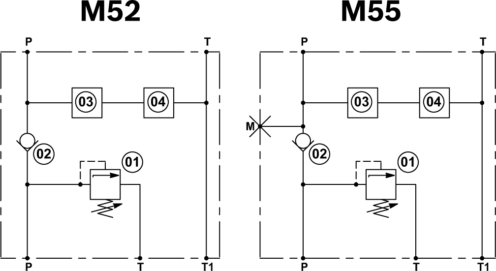
M52 - M55
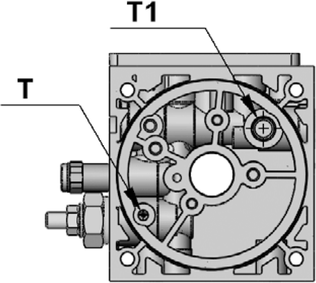
View Manifold Tank side
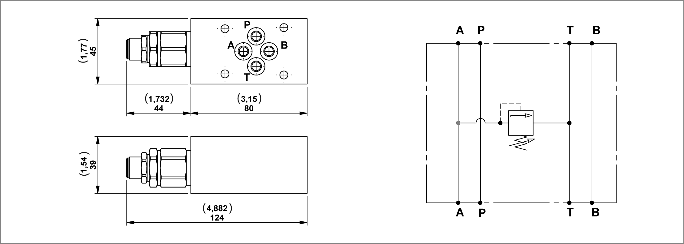
M52
Manifold Hydraulic Diagram
M55
Assembly Diagram
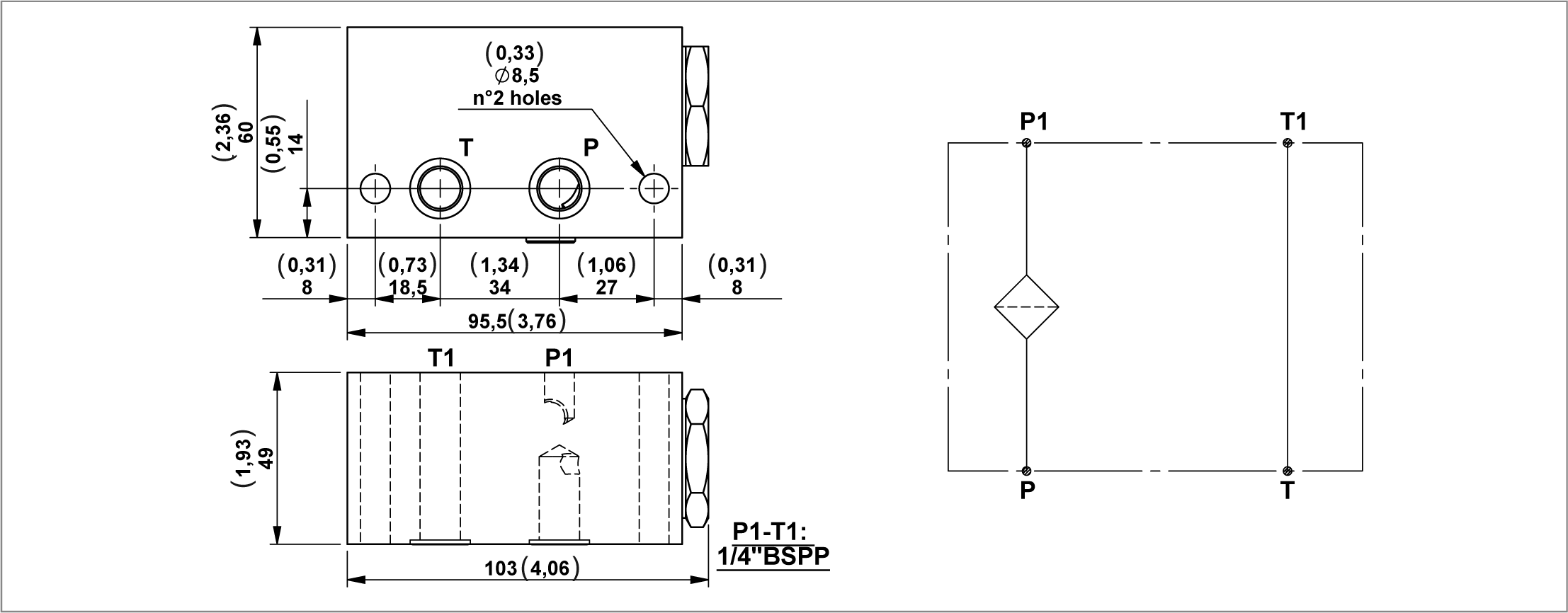
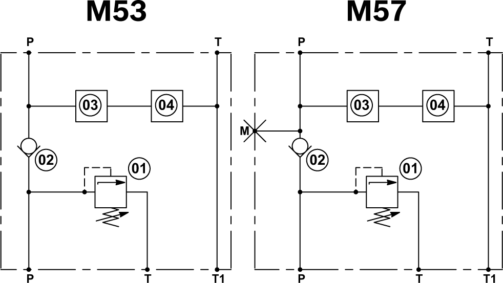
M53 - M57
View Manifold Tank side
M53
Manifold Hydraulic Diagram
M57
Assembly Diagram
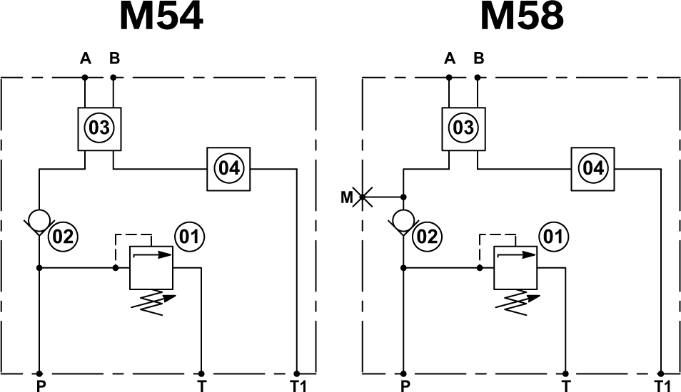
M54 - M58
View Manifold Tank side
M54
Manifold Hydraulic Diagram
M58
Assembly Diagram
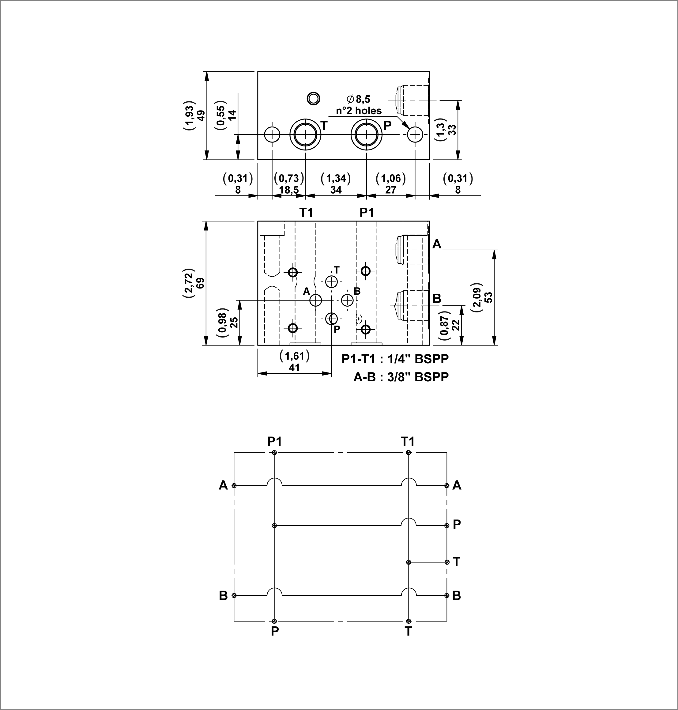
A16
View Manifold Tank side
A16
Manifold Hydraulic Diagram
Assembly Diagram
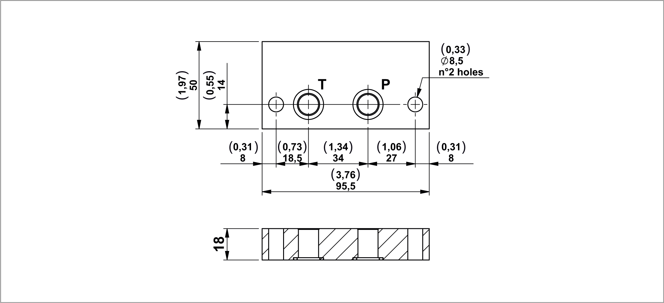
10
View Manifold Tank side
10
Manifold Hydraulic Diagram
NOTE: In this central manifold use only reversible pump “R” series.
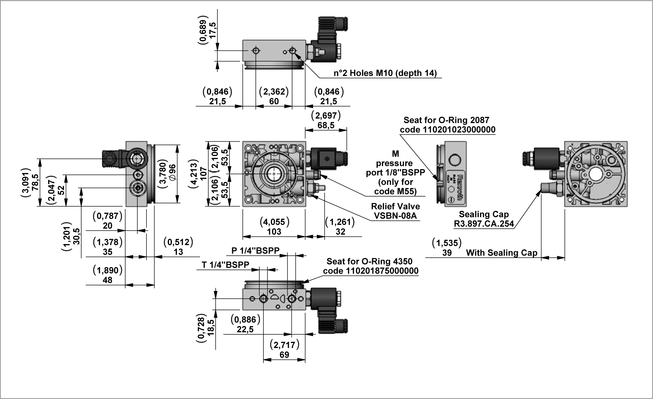
NOTE: In the central manifold MR series is possible connect only the following motors: DC motor code: C177 - C178 - C179 - C180 - C181 - C182 AC motor from size IEC56 to size IEC71.
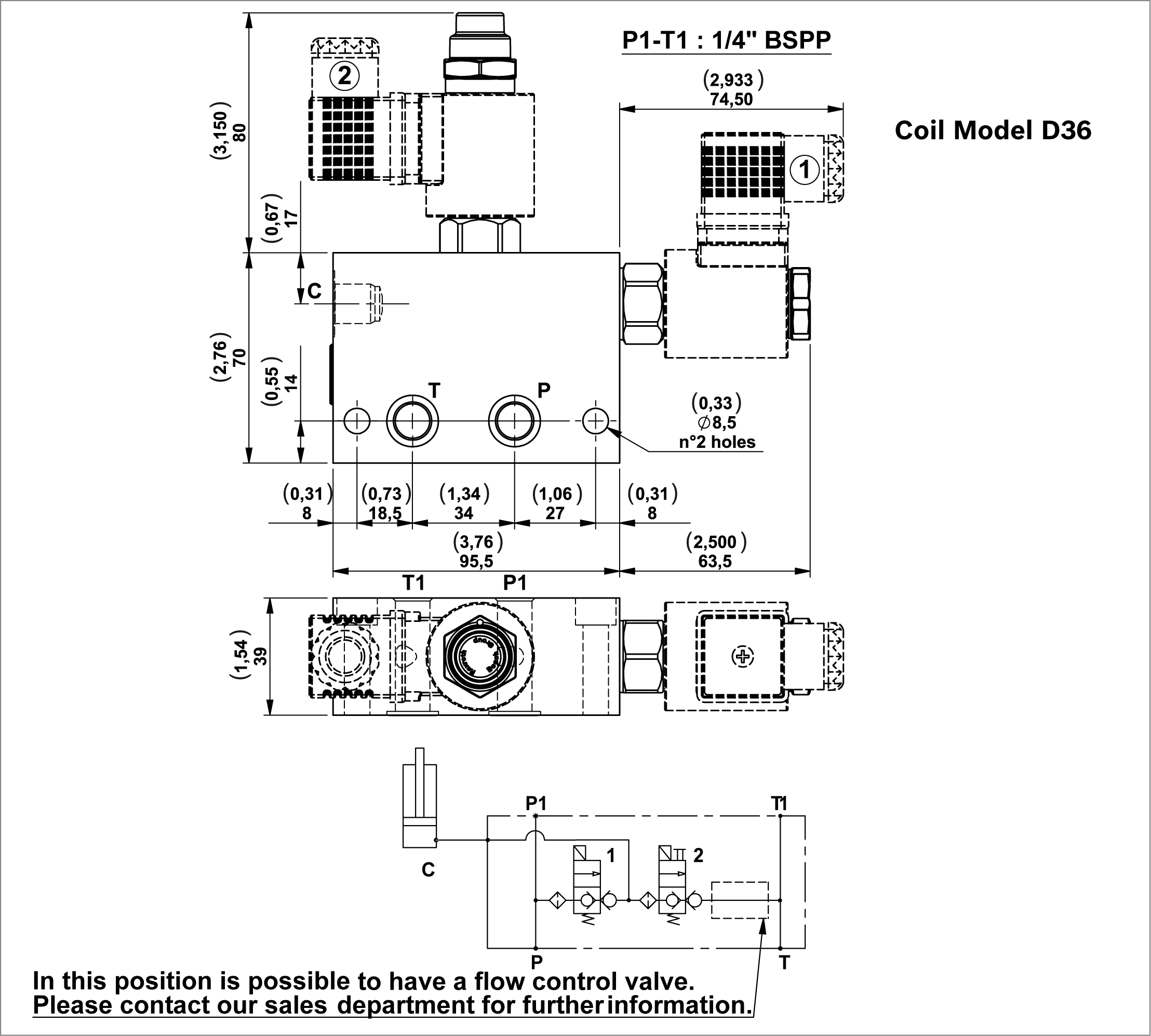
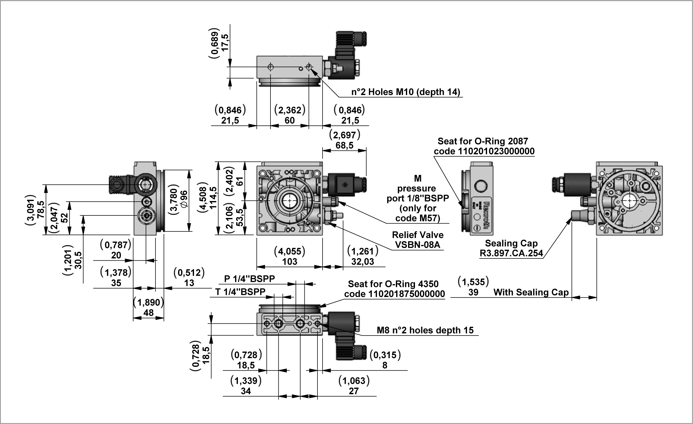
EC-EE Series
2 Way Pilot Operated Solenoid Valves, Normally Closed for D.C. current
Technical Data
Description
Description
This is a standard 2 way pilot operated valves poppet style.
- Only for D.C. current.
- Internal leakage: see technical data.
- Minimum operating voltage: 90% of nominal.
- Screen on P 300 Micron.
- Screw Type Emergency on EE.
Valve symbol
D36 Coil Voltage Available
NOTE: For more info see Data Sheet RE18323-25
EA-EAM Series
2 Way Pilot Operated Solenoid Valves, Normally Open
Technical Data
Description
Description
This is a standard 2 way pilot operated valves poppet style.
- Only for D.C. current.
- Internal leakage: see technical data.
- Minimum operating voltage: 90% of nominal.
- Screen on P 300 Micron.
- Push Type Emergency on EAM.
Valve symbol
D36 Coil Voltage Available
NOTE: For more info see Data Sheet RE18323-26
V4.2 Series
4 Way 2 Position Solenoid Valves Spool Type
Technical Data
Description
Description
4 Way 2 Position Solenoid Valves Spool Type
- Only for D.C. current.
- Minimum operating voltage: 90% of nominal.
- Screw Type Emergency on V4.2E.
Valve symbol
D36 Coil Voltage Available
NOTE: For more info see Data Sheet RE18324-09
V4.3 Series
4 Way 3 Position Solenoid Valves Spool Type
Technical Data
Description
4 Way 3 Position Solenoid Valves Spool Type
Only for D.C. current.
Minimum operating voltage: 90% of nominal.
Valve symbol
D36 Coil Voltage Available
NOTE: For more info see Data Sheet RE18324-10
Technical Data
Weight: 0.18 kg (0.40 lbs)
Power: 20 W
Heat insulation Class H: 180°C (356°F)
Ambient temperature range: -30/+90°C (-22/+194°F)
Further performance limits in terms of temperature and voltage fluctuations: please refer to data sheet of the solenoid valve where D36 coil is mounted.
Coils D36 DIN 43650
NOTE: * OU and AH versions especially designed in cases of AC supply voltage (respectively for 110AC and 220 AC) to be used in conjunction with connector with circuit including wave rectifier. Ambient temperature range for OU and AH versions: -30°C / + 75°C
Coils D36 AMP H
Coils D36 AMP V
Coils D36 Deutsch L
Coils D36 Deutsch V
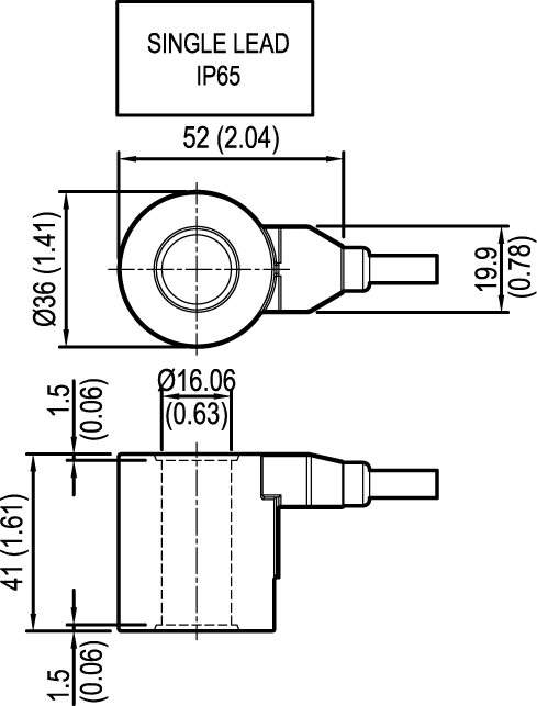
Coils D36 Single Lead
NOTE: For more info see Data Sheet RE18325-90
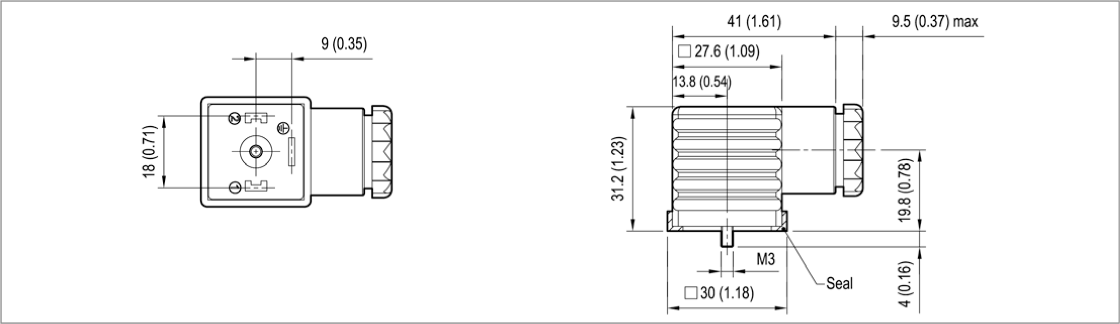
CONNECTOR IP67 - EN175000 (DIN 4350-A) / ISO 4400
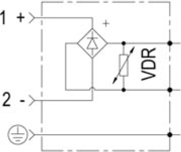
Standard Circuit
Circuit with VDR + Wave Rectifier
NOTE: Diode with capacity max 1 Amp.
PMC12 Order Code for Lever (only for manifold code A16)
Technical Data
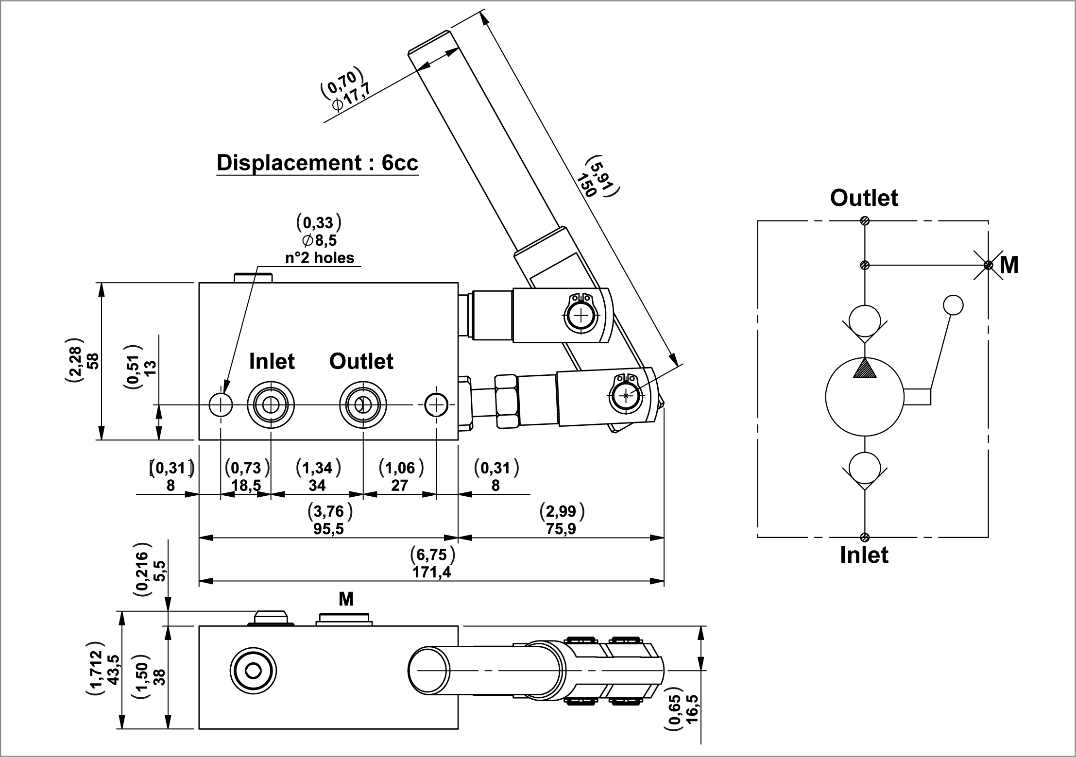
Hand pump (1.5cc)
Plug for Cavity
1/4” Auxiliary Return Port
3/8” Auxiliary Return Port
1/4” Auxiliary Pressure Port
Flow Control Valves Pressure Compensated
Gear Pumps Group 0.5 for ME
Reversible Gear Pumps Group 0.5 for MR
NOTE: All pumps have anti-clockwise rotation.
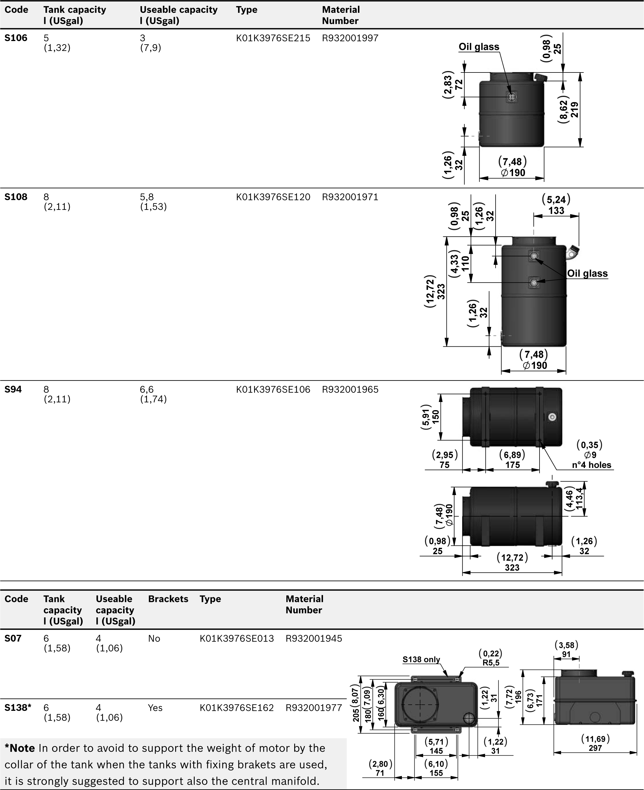
Technical Data for Plastic Tanks
Plastic Tanks
Assembly Kit for Plastic Tank - ME
Technical Data for Steel Tanks
Collar for Tanks
Steel Tanks
Steel Tanks
Steel Tanks
Steel Tanks
Steel Tanks
NOTE: In order to avoid to support the weight of motor by the collar of the tank when the tanks with fi xing brakets are used, it is strongly suggested to support also the central manifold.
Terminal Box Position for A.C. Motors
Relay Position for D.C. Motors
Oil Cap Position for V1 only
Support for Manifold ME - MR Series
Support for Manifold Code A16
Space Modular Block
These modular blocks have been designed to have the ability to be assembled as a stack to allow clearence between flanges and motors of different sizes and types. Each block includes 2 OR 3056 gaskets.
90° modular block allowing horizontal mounting (motor side)
A modular block that is able to turn the standard assembling of 90°, in order to place other manifold blocks over the motor.
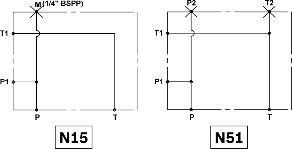
The “N15” block has a 1/4” BSPP port for Pressure Gauge. Each block includes 2 OR 2056 gaskets.
90° modular block allowing horizontal mounting (tank side)
A modular block that is able to turn the standard assembling of 90°, in order to place other blocks over the tank.
The blocks have a 1/4” BSPP port for Pressure Gauge. Each block includes 2 OR 2056 gaskets.
Modular blocks with threaded ports
Modular blocks with exit 3/8” BSPP.
Each block includes 2 OR 2056 gaskets.
Modular spacer block with extra “P1” port
A modular block with an extra port.
Each block includes 2 OR 2056 gaskets.
Modular spacer block with two 1/8” BSPP and two 1/4” BSPP ports
A modular block with 4 extra ports.
Each block includes 2 OR 2056 gaskets.
Modular block with filter on pressure line
A modular block with a filter on the pressure line. This is recommended for applications where valve may be subjected to contamination. Each block includes 2 OR 2056 gaskets.
Modular block with filter on the return line
A modular block with filter on return line. This is recommended for applications where valves may be subjected to contamination. Each block includes 2 OR 2056 gaskets.
By-pass valve set at a pressure of 1 bar.
Modular block for CETOP 3 (2143) configuration valves
Modular blocks for CETOP 3 (2143) electrovalves for parallel or series circuits.
Each block includes 2 OR 2056 gaskets.
Modular block for CETOP 3 (2143) configuration valves
A modular block that is for CETOP 3 (2143) electrovalves for a parallel circuit with ports on the oppsite side of the valve.
Each block includes 2 OR 2056 gaskets.
Modular block for CETOP 3 (2143) configuration valves with side ports
A modular block that is for CETOP 3 (2143) electrovalves for parallel circuit with side device ports on one face.
Each block includes 2 OR 2056 gaskets.
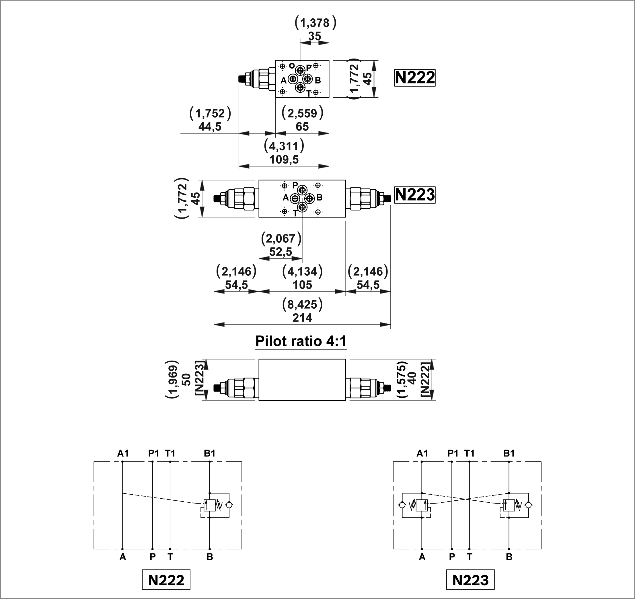
Modular block with poppet type P.O. check valves for CETOP 3 (2143) configuration valves (parallel circuit)
A selection of modular block with P.O. check valves for block CETOP 3 (2143) electrovalves.
Each block includes 2 OR 2056 gaskets.
Possibility to have an OR gasket on the piloting piston for application with low flow.
Sandwich blocks with poppet type “VMD1“ relief valves for CETOP 3 (2143) configuration valves
Each block includes 4 OR 108 gaskets.
Sandwich blocks with poppet type “VMD1“ relief valves for CETOP 3 (2143) configuration valves
Each block includes 4 OR 108 gaskets.
Sandwich blocks with poppet type “VMD1“ relief valves for CETOP 3 (2143) configuration valves
Each block includes 4 OR 108 gaskets.
Sandwich blocks with poppet type “VMD1“ relief valves for CETOP 3 (2143) configuration valves
Each block includes 4 OR 108 gaskets.
Sandwich blocks with “ST-CU-06” adjustable flow control valves for CETOP 3 (2143) configuration valves
Each block includes 4 OR 108 gaskets.
Sandwich blocks with “ST-CU-06” adjustable flow control valves for CETOP 3 (2143) configuration valves
Each block includes 4 OR 108 gaskets.
Sandwich blocks with “ST-CU-06” adjustable flow control valves for CETOP 3 (2143) configuration valves
Each block includes 4 OR 108 gaskets.
Sandwich block with ports on “A” and “B” line for CETOP 3 (2143) configuration valves
Each block includes 2 OR 2056 gaskets.
Sandwich blocks with overcenter valves for CETOP 3 (2143) configuration valves
Each block includes 4 OR 108 gaskets.
Modular hand pump manifold block
A single acting hand pump usually used for emergency.
Each block includes 5 OR 2050 gaskets.
Lever Kit
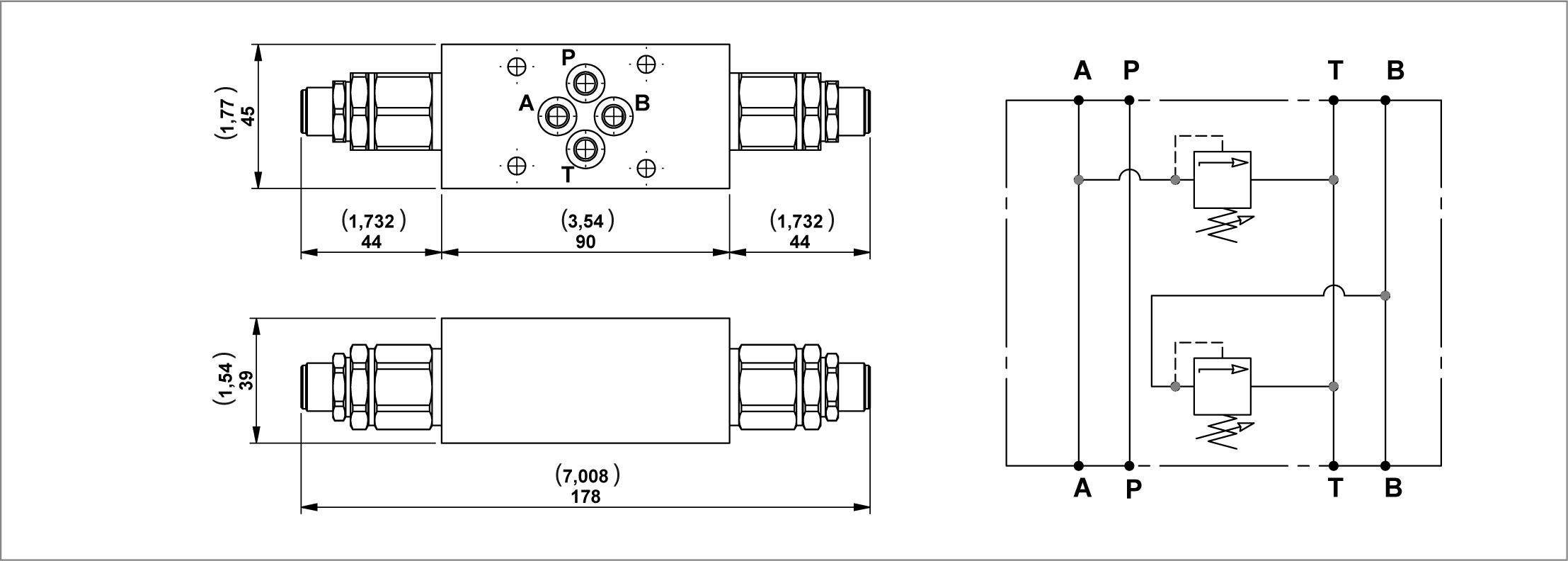
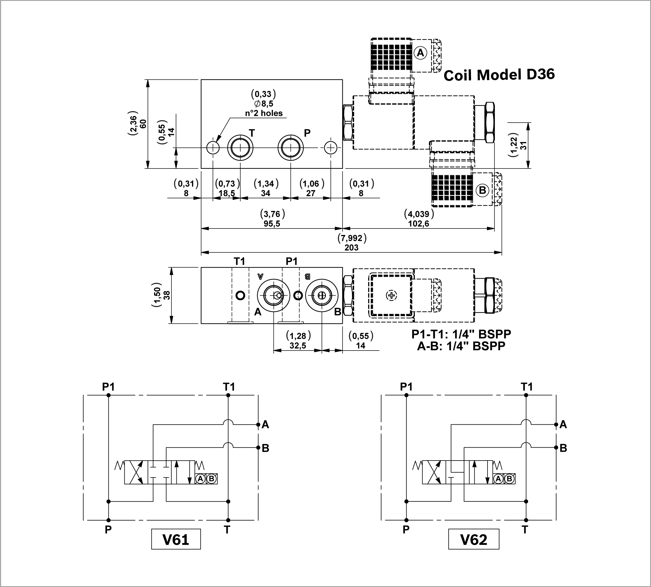
CETOP 2143 (Ø6mm (0,24inch) ) Solenoid Valves
Modular blocks with two lowering solenoid valves, check valves, and compensated flow control throttle valves (available upon request)
Modular blocks to operate a single acting cylinder in a parallel circuit or a double acting cylinder in regenerative.
Each block includes 2 OR 2056 gaskets.
Minimum voltage required: 90% of nominal.
Coils not included, must be ordered separately.
For the selection of coil model and voltage please refer to page 41.
For the selection of connectors please refer to page 43.
Modular blocks with four way three position solenoid valve. Spool type
A selection of modular blocks with 4/3 spool type solenoid valve for small double acting cylinders.
Each block includes 2 OR 2056 gaskets.
Minimum voltage required: 90% of nominal.
Coils not included, must be ordered separately.
For the selection of coil model and voltage please refer to page 41.
For the selection of connectors please refer to page 43.
Modular block with four way three position solenoid valve and P.O. check valves on “A” and “B” line
A modular block with 4/3 spool type solenoid valve and P.O. check valves on “A” and “B” line. For small double acting cylinders.
Each block includes 2 OR 2056 gaskets.
Minimum voltage required: 90% of nominal.
Coils not included, must be ordered separately.
For the selection of coil model and voltage please refer to page 41.
For the selection of connectors please refer to page 43.
Modular blocks with double locking solenoid valve
Each block includes 2 OR 2056 gaskets.
Coils not included, must be ordered separately.
For the selection of coil model and voltage please refer to page 41.
For the selection of connectors please refer to page 43.
Isolator
Manometer
Pressure Switches
Protective Cap for Pressure Switches
Tank Diameter
Vertical Suction, Plastic Pipe
Vertical Suction, Steel Pipe
Suction Filter
Horizontal Return, Steel Pipe
Vertical Return, Plastic Pipe
Vertical Return, Steel Pipe


