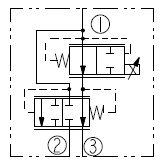
Description
The EHPV90-G33XX is a proportional, spool-type valve that utilizes an engineered feedback spring to feed back the spool position of a main control valve (mcv), piston pump or other piloted device, making it proportional to the input current. It is a 3rd generation, drop-in, flange mounted cartridge type valve. The coil is an integral part of the valve and is not serviceable.
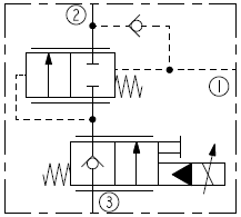
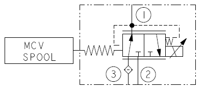
Operation
The mechanical feedback spring at port 1 is connected to the mcv spool or other piloted device. Port 2 is connected to tank and port 3 (inlet) is connected to the opposite end of the mcv or other piloting device. With no current applied to the coil the valve connects port 3 to port 1, while blocking port 2. This condition causes the pressure at both ends of the mcv pilot ports to remain equal and the mcv spool will remain centered. When current is applied to the coil, the EHPV90-G33 will shift to open port 1 to port 2 and block flow from port 3 to port 1, allowing the mcv spool to shift proportionally to the applied currrent.
Features
- Pilot control for servo-mechanical valves
- Spring provides mechanical feedback
- Pressurize both ends of the controlled spool for quick response and improved hysteresis
- Economical drop-in style
- Mounting plate option
- Compact size
- Top-mounted connector


