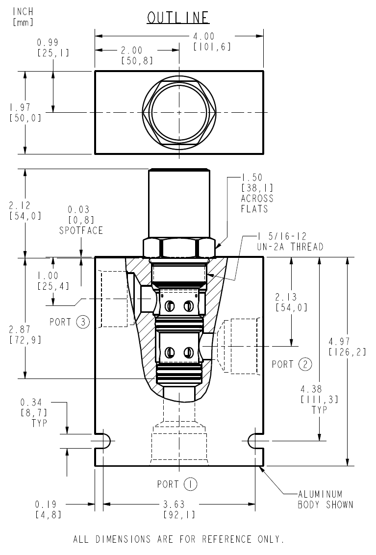
Description
EC16-32 is a screw-in, cartridge style, load sense, pressure compensator with static load sense.
Operation
With inlet flow at port 2, port 3 will deliver required flow regardless of load pressure sensed at port 1. 0.53 mm (0.021 in) diameter orifice is recommended to be installed in load sense line at port 1 for better stability.
Features
- Hardened parts for long life.
- Quiet, modulated response.
- Industry-common cavity.


